Beschrijving
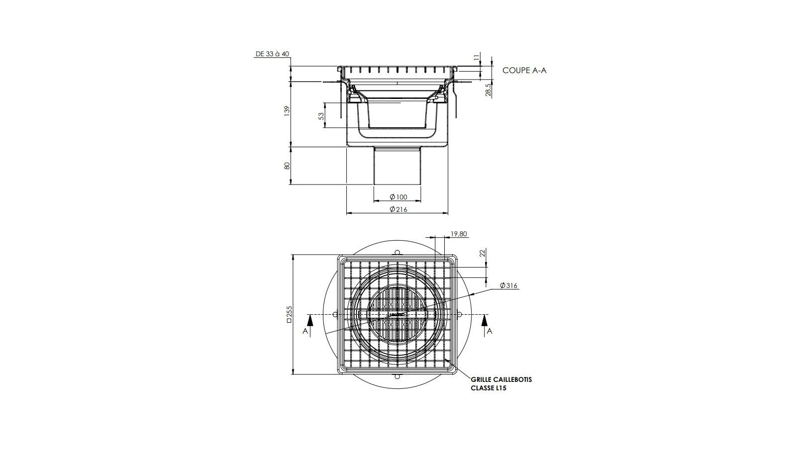
Deze industrieput heeft een afmeting van 255×255 mm. De uitneembare RVS stankafsluiter zorgt voor ervoor dat er geen rioollucht kan ontstaan en de vuilvanger filtert al het grove uit het afvalwater. Door de verstel- en draaibare bovenrand is deze put gemakkelijk te plaatsen. Het antislip mazenrooster heeft een maximale belasting van 15 KN oftewel 1500 kg. en is uitstekend geschikt voor toepassing in gebieden waar veel gelopen wordt, denk hierbij aan bijvoorbeeld een snijafdeling. De ronde behuizing van deze industrieput zorgt ervoor dat zo min mogelijk vuilaanhechting kan plaatsvinden, hierdoor is deze put ook zeer geschikt voor gebruik in de voedingsmiddelenindustrie. Het 100% recyclebare RVS zorgt voor jarenlang probleemloos gebruik. De afvoercapaciteit is 5,02 l/sec. De onderaansluiting is 110 mm.





